產品品牌:AMCELLS(商標已停產),SUNCELLS,MKCELLS(商標替代)
產品類別:橋式傳感器,橋式稱重傳感器
SUNCELLS QS-D-20T稱重傳感器功能特點:
雙剪切梁式 Double ended shear beam load cell
優質合金鋼材質 Senior alloy steel
高精度 High accuracy
高穩定性 High stability
通過CMC認證 CMC, Approved
安裝簡便、快速 Easy to install
表層鍍鎳防腐處理 Protected against corrosion by nickelplated treatment
QS-D-20T稱重傳感器適用于汽車衡、軌道衡和料斗秤等 Suitable for truck scales, rail scales, bin and hopper scales
SUNCELLS QS-D-20T傳感器產品說明:
QS-D-20T是一款雙剪切梁式的傳感器;優質合金鋼材質;高精度;高穩定性;通過CMC認證;QS-D-20T稱重傳感器安裝簡便、快速;表層鍍鎳防腐處理;美國SUNCELLS QS-D-20T傳感器適用于汽車衡、地磅、軌道衡和料斗秤等
SUNCELLS QS-D-20T傳感器技術參數:

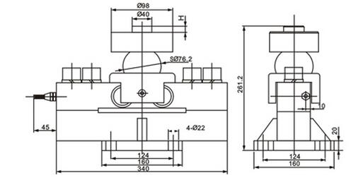
SUNCELLS QS-D-20T傳感器規格尺寸:

SUNCELLS QS傳感器所有量程:
QS-10t
QS-15t
QS-25t
QS-40t
QS-50t
QS-5t
QS-D-10t
QS-D-15t
QS-D-20t
QS-D-25t
QS-D-40t
QS-D-50t
QS-D-5t
柯力傳感器其他產品:
1、適用于地上衡、配料秤、低平面臺秤(型號SQC,量程2—5T)
2、適用于平臺秤、汽車衡、配料秤 (型號SB, 量程300kg—25t)
3、適用于材料試驗機、攪拌站、配料秤(型號DEF,量程100kg—5t)
除QS-D-20T數字稱重傳感器 之外,其他傳感器推薦:
SUNCELLS ZSF-A-40T稱重傳感器


