產品名稱:德國HBM 傳感器MB35C3/2.2t
產品品牌:德國HBM 傳感器
產品類型:稱重傳感器
產品型號:MB35C3/2.2t
傳感器MB35C3/2.2t德國HBM產品技術參數:

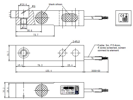
傳感器MB35C3/2.2t德國HBM產品尺寸圖:

傳感器MB35C3/2.2t德國HBM所有量程:
Part Number Description Detailed description
1-MB35C3/220KG-1 MB35C3/220kg L/C 2MV/V, C3, M12 THD
1-MB35C3/550KG-1 MB35C3/550kg L/C 2MV/V, C3, M12 THD
1-MB35C3/1.1T-1 MB35C3/1.1t L/C 2MV/V, C3, M12 THD
1-MB35C3/1.76T-1 MB35C3/1.76t L/C 2MV/V, C3, M12 THD
1-MB35/220KG-1 MB35D1/220kg L/C 2MV/V, D1, M12 THD
1-MB35/550KG-1 MB35D1/550kg L/C 2MV/V, D1, M12 THD
1-MB35/1.1T-1 MB35D1/1.1t L/C 2MV/V, D1, M12 THD
1-MB35/1.76T-1 MB35D1/1.76t L/C 2MV/V, D1, M12 THD
上一篇:德國HBM PW10AC3/100KGs數字稱重傳感器
下一篇:返回列表


