【廣州★南創電子】全球供應德國TECSIS F1215稱重傳感器,Germany TECSIS F1215(LOADCELL)價格,德國TECSIS傳感器F1215廠家搶購熱線:18529283875價格優惠,質量保證,全球網絡服務到位。
同樣的價格我們比質量,同樣的質量我們比服務;這就是作為德國TECSIS中國【優質★供應商】具有的優勢之一。
型號:F1215
國別:德國稱重傳感器
形狀:柱式稱重傳感器
屬性:不銹鋼稱重傳感器
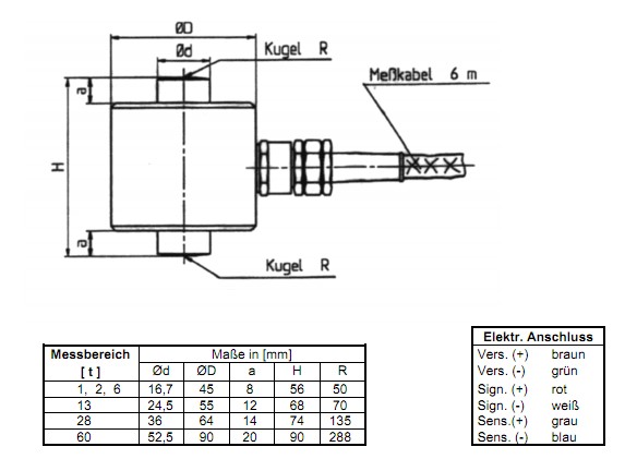
量程:1 t ...60 t
注:具體尺寸和重量要求,可以根據客戶需求溝通定做,價格電議/面議
德國TECSIS F1215稱重傳感器產品特征
▲用于壓力測量
▲自動定心搖臂銷,雙側為球狀觸面
▲力引入方式簡單
▲緊湊,小尺寸
▲滿量程值精度為 0.2%
▲安裝高度低
▲防護等級 IP 67
德國TECSIS F1215稱重傳感器安裝尺寸

德國TECSIS F1215稱重傳感器描述應用
這款力傳感器適用于測量靜態壓力。其結構緊湊,堅固耐用,特別適合于工業應用。這款力傳感器的量程設計為 0 … 1 t 到 0 … 60 t,并具有良好的防濺水性能,即使在惡劣工作環境中,依然保持非常良好的可靠性。這款測力傳感器具有獨特的特征,其雙側受力點采用球面結構的搖臂銷軸設計。因此,施力時可自動定心。
這款力傳感器可滿足需要測量靜態力的工業應用需求。例如,工業稱重技術是其中之一。能可靠測量高達 60 t 的重量。
力傳感器安裝簡便。
德國TECSIS F1215稱重傳感器100%百分百質量保證【選廣州南創電子科技有限公司——就是選正品保障】,只要您購買了我們的產品,對購買的客戶保證質量第一、信譽永恒!


