日本NTS LCU稱重測力傳感器接線
稱重傳感器的接線方式最常用到的就是4線制和6線制接線,要接4線還是6線首先要看你的硬件要求是怎樣的,例如:tedea 619是六線制接線,而celtron loc和tedea 1010卻是四線制接線。但是一定要記住的一點是:能接6線的絕對不接4線傳感器,必須接4線的就一定要進行短接。
日本NTS LCU稱重測力傳感器參數
量程:……………………………………… 5KN~~~20KN
靈敏度:……………………………………… 2mV/V±0.25%
非直線性:………………………………………… 0.05%R.O.
滯后:……………………………………………… 0.05%R.O.
重復性:…………………………………………… 0.05%R.O.
推薦電壓:…………………………………… 10V
允許最大電壓:……………………………………18V
輸出阻抗:…………………………………… 約350Ω
絕緣阻抗:……………………………………… 2000MΩ以上
溫度補償范圍:………………………………… -10~+70℃
使用溫度范圍:…………………………………… -20~+80℃
零點溫漂:………………………………………… ±0.005%R.O./℃
滿程溫漂:……………………………………….. ±0.005%/℃
允許過載:…………………………………… 150%R.C.
標準電纜:…………………………………………φ10,4芯屏蔽電纜3米
高精度壓縮型稱重測力傳感器,廣泛應用于料斗,漏斗稱等稱重系統,是工業自動化稱重控制系統的首選
所有量程
LCU-5KN稱重測力傳感器
LCU-10KN稱重測力傳感器
LCU-20KN稱重測力傳感器
日本NTS稱重測力傳感器原廠進口,LCU稱重測力傳感器,壓力傳感器,荷重傳感器,重量傳感器,稱重控制儀表,稱重測力儀;您還為找不到好的傳感器而發愁嗎,聯系廣州南創電子,為您提供性價比最高的傳感器。全國統一服務熱線:18529283875(零二零-二二一五七一七零)。
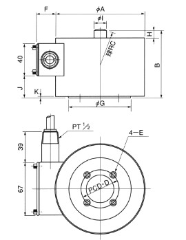
日本NTS LCU稱重測力傳感器尺寸

型式 |


