型號:CW-0.3、CW-0.5、CW-1、CW-2、CW-3、CW-5、CW-10、CW-20
類型:不銹鋼動載稱重模塊
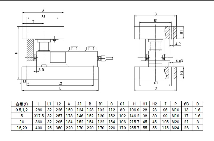
名稱:CW-5,瑞士Mettler Toledo CW-5t稱重模塊
瑞士Mettler Toledo CW-5t稱重模塊主要特性:
▲額定荷載:500kg-20t
▲使用優質傳感器,稱量精度高
▲自穩定承壓頭設計,始終保持正確的加載位置,稱重重復性好
▲配備可調式水平限位螺栓
▲配備對位工具,保證模塊正確的工作位置
▲優質合金鋼,表面鍍鎳
▲安裝簡單,快速
▲維護方便,節約停機維護時間
▲適用于如輸送滾道秤等有水平沖擊力場合的稱重和過程稱重控制
有關傳感器的詳細數據,請參見SB傳感器
瑞士Mettler Toledo CW-5t稱重模塊安裝尺寸:


除CW-5t稱重模塊梅特勒托利多型號匯總
UW-5、UW-10、UW-20、UW-50、UW-75、UW-100、UW-200、UW-300、UW-500
FW-0.3、FW-0.5、FW-1、FW-2、FW-3、FW-5、FW-10、FW-20
CW-0.3、CW-0.5、CW-1、CW-2、CW-3、CW-5、CW-10、CW-20
GWA-15、GWA-20、GWA-30、GWA-50、GWA-100、GWA-200、GWA-250、GWA-300、GWA-400、GWA-500
GW-15、GW-20、GW-30、GW-50、GW-100、GW-200、GW-250、GW-300、GW-400、GW-500
FWC-0.22、FWC-0.55、FWC-1.1、FWC-2.2、FWC-4.4、FWC-9、FWC-13.6、FWC-20
CWC-0.22、CWC-0.55、CWC-1.1、CWC-2.2、CWC-4.4、CWC-9、CWC-13.6、CWC-20
PGW-2、PGW-5、PGW-10、PGW-20、PGW-30、PGW-50
PGWA-2、PGWA-5、PGWA-10、PGWA-20、PGWA-30、PGWA-50
DGW-50、DGW-100、DGW-200、DGW-250、DGW-300、DGW-400、DGW-500
DGWA-50、DGWA-100、DGWA-200、DGWA-250、DGWA-300、DGWA-400、DGWA-500
廣州南創電子傾心奉獻最全的Mettler Toledo CW-5t稱重模塊資料,從這里開始尋找您要的東西,【質量保證★優質供應】保證您滿載而歸。不同瑞士Mettler Toledo模塊,不同折扣價格,聯系我們了解最新資訊。只要您購買了我們的產品,對購買的客戶保證質量第一、信譽永恒!


