A203張力傳感器
想了解更多瑞士FMS資料請點擊:瑞士FMS張力傳感器查看更多詳情
產品型號:A203
產品名稱:瑞士FMS張力傳感器
產品類別:活動軸張力傳感器
瑞士FMS A203張力傳感器產品特性:
。應變計電橋測量技術,動態響應速度快;
。10倍過載能力,高可靠性、工作穩定;
。測量輥的軸頭不轉動,傳感器提供軸接頭;
。50:1測力范圍,在測力范圍內的測量精度達到0.3%;
。外形結構緊湊,適合較為狹小的空間應用;
瑞士FMS A203張力傳感器產品中文參數:

瑞士FMS A203系列張力傳感器產品概述:
A203系列活動軸張力傳感器是瑞士FMS公司新推出的一款可以安裝在狹小設備設備上的一種張力傳感器,適合用于與活動軸測量輥安裝使用,測量輥的軸頭直徑為17mm,提供從50N至1000N間的多個量程規格,較好滿足中、低張力大小的測量應用。為了降低成本,該系列采用高性能特殊鋁合金彈性體材料,具有可靠性高、長期穩定性好的優點,可配合FMS公司全系列張力儀表共同組成張力測量系統。
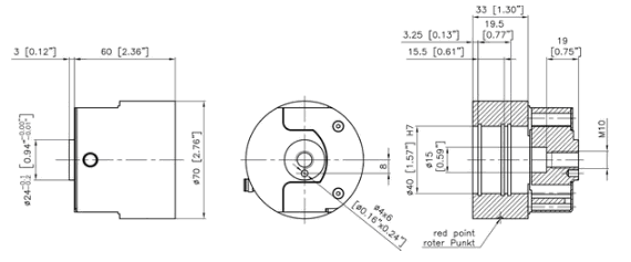
瑞士FMS A203系列張力傳感器產品尺寸圖:

瑞士FMS A203系列張力傳感器量程規格如下:
A203-50N張力傳感器
A203-125N張力傳感器
A203-250N張力傳感器
A203-500N張力傳感器
A203-1000N張力傳感器
除A203張力傳感器外其他品牌熱銷型號如下:
ZEMIC L6F稱重傳感器
廣測GUANGCE YZC-6B稱重傳感器
日本NTS單點荷重傳感器NBE-600N
上一篇:RMGZ800張力傳感器
下一篇:FA202張力傳感器


